딩스는 φ6mm부터 φ42mm까지 10개의 정밀 유성 감속기를 제공합니다.
딩스의 정밀 유성 감속기는 작은 크기, 높은 전력 밀도, 큰 속도 비율 범위, 입력과 출력의 동축 배열, 고효율 등의 장점을 가지고 있습니다.
정밀 유성 감속기의 주요 특징은 변속기의 각 단이 여러 개의 유성 기어에 의해 적층될 수 있다는 점입니다.
일반 평행 축 기어 변속기와 비교했을 때, 유성 감속기는 크기가 작고 토크 전달이 더 큽니다.
입력 및 출력 회전 방향이 일관되며, 큰 속도 비율 범위와 높은 전송 효율을 자랑합니다.
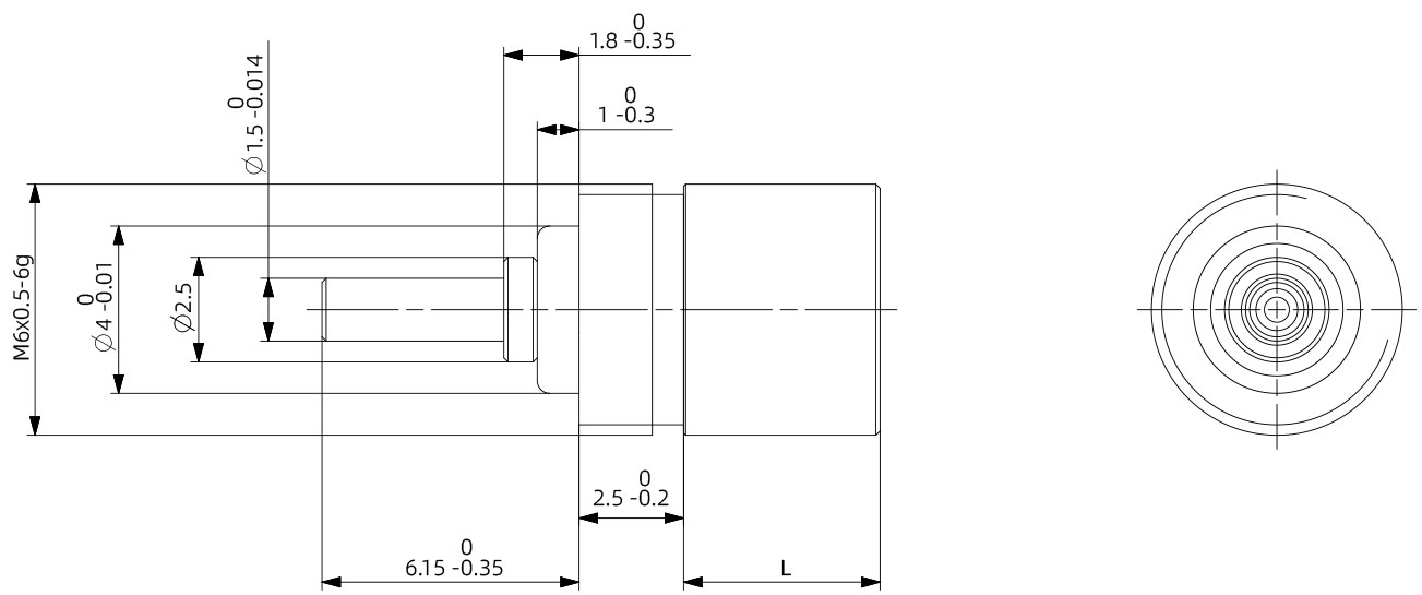
| 단 | - | 1단 | 2단 | 3단 |
|---|---|---|---|---|
| 감속비 | X : 1 | 3.9 | 15 | 57 |
| 최대 백래쉬 | ° | 1.8 | 2.0 | 2.2 |
| 최대 연속 출력 전력 | W | 0.65 | 0.4 | 0.2 |
| 최대 순간 출력 전력 | W | 0.8 | 0.5 | 0.25 |
| 최대 연속 입력 속도 | rpm | 20000 | 20000 | 20000 |
| 최대 순간 입력 속도 | rpm | 25000 | 25000 | 25000 |
| 최대 연속 토크 | N.m | 0.002 | 0.005 | 0.01 |
| 최대 순간 토크 | N.m | 0.005 | 0.01 | 0.02 |
| 최대 효율 | % | 88 | 77 | 68 |
| 무게 | g | 1.6 | 2 | 2.4 |
| 감속기 길이 L | mm | 4.7 | 7.2 | 9.7 |
| 단 | - | 1단 | 2단 | 3단 |
|---|---|---|---|---|
| 감속비 | X : 1 | 4 | 16 | 64 |
| 최대 백래쉬 | ° | 1.8 | 2.0 | 2.2 |
| 최대 연속 출력 전력 | W | 0.84 | 0.52 | 0.4 |
| 최대 순간 출력 전력 | W | 1.05 | 0.65 | 0.5 |
| 최대 연속 입력 속도 | rpm | 14000 | 14000 | 14000 |
| 최대 순간 입력 속도 | rpm | 20000 | 20000 | 20000 |
| 최대 연속 토크 | N.m | 0.01 | 0.02 | 0.06 |
| 최대 순간 토크 | N.m | 0.015 | 0.03 | 0.09 |
| 최대 효율 | % | 90 | 81 | 72 |
| 무게 | g | 2.6 | 3.2 | 3.8 |
| 감속기 길이 L | mm | 5.5 | 8.1 | 10.7 |
In a mobile environment, you can move left and right to see the contents (tables).
| 단 | - | 1단 | 2단 | 3단 | 4단 |
|---|---|---|---|---|---|
| 감속비 | X : 1 | 4.25 | 18 | 77 | 326 |
| 최대 백래쉬 | ° | 1.5 | 1.8 | 2.0 | 2.2 |
| 최대 연속 출력 전력 | W | 1.6 | 1.2 | 1.0 | 0.4 |
| 최대 순간 출력 전력 | W | 2 | 1.5 | 1.3 | 0.5 |
| 최대 연속 입력 속도 | rpm | 14000 | 14000 | 14000 | 14000 |
| 최대 순간 입력 속도 | rpm | 18000 | 18000 | 18000 | 18000 |
| 최대 연속 토크 | N.m | 0.01 | 0.03 | 0.10 | 0.15 |
| 최대 순간 토크 | N.m | 0.02 | 0.05 | 0.15 | 0.2 |
| 최대 효율 | % | 90 | 81 | 73 | 65 |
| 무게 | g | 6.8 | 7.3 | 7.8 | 8.3 |
| 감속기 길이 L | mm | 10.1 | 13.6 | 17.1 | 20.6 |
In a mobile environment, you can move left and right to see the contents (tables).
| 단 | - | 1단 | 2단 | 3단 | 4단 |
|---|---|---|---|---|---|
| 감속비 | X : 1 | 4.3 | 18.4 | 79 | 337 |
| 최대 백래쉬 | ° | 1.2 | 1.5 | 1.8 | 2.1 |
| 최대 연속 출력 전력 | W | 2.0 | 1 | 0.5 | 0.25 |
| 최대 순간 출력 전력 | W | 2.5 | 1.25 | 0.65 | 0.3 |
| 최대 연속 입력 속도 | rpm | 16000 | 16000 | 16000 | 16000 |
| 최대 순간 입력 속도 | rpm | 20000 | 20000 | 20000 | 20000 |
| 최대 연속 토크 | N.m | 0.08 | 0.11 | 0.14 | 0.17 |
| 최대 순간 토크 | N.m | 0.1 | 0.14 | 0.18 | 0.21 |
| 최대 효율 | % | 90 | 80 | 75 | 65 |
| 무게 | g | 9 | 12 | 15 | 18 |
| 감속기 길이 L | mm | 11.3 | 15.1 | 18.9 | 22.7 |
In a mobile environment, you can move left and right to see the contents (tables).
| 단 | - | 1단 | 2단 | 3단 | 4단 |
|---|---|---|---|---|---|
| 감속비 | X : 1 | 4.3 | 18.4 | 79 | 337 |
| 최대 백래쉬 | ° | 1.1 | 1.3 | 1.45 | 1.7 |
| 최대 연속 출력 전력 | W | 4.0 | 2.0 | 1.0 | 0.4 |
| 최대 순간 출력 전력 | W | 5.0 | 2.5 | 1.25 | 0.5 |
| 최대 연속 입력 속도 | rpm | 14000 | 16000 | 16000 | 16000 |
| 최대 순간 입력 속도 | rpm | 18000 | 20000 | 20000 | 20000 |
| 최대 연속 토크 | N.m | 0.16 | 0.2 | 0.25 | 0.3 |
| 최대 순간 토크 | N.m | 0.2 | 0.25 | 0.31 | 0.38 |
| 최대 효율 | % | 90 | 80 | 75 | 65 |
| 무게 | g | 11 | 15 | 19 | 23 |
| 감속기 길이 L | mm | 11.8 | 16.1 | 20.4 | 24.7 |
In a mobile environment, you can move left and right to see the contents (tables).
| 단 | - | 1단 | 2단 | 3단 | 4단 |
|---|---|---|---|---|---|
| 감속비 | X : 1 | 3.9, 5.3 | 16, 21, 28 | 62, 83, 111, 150 | 243, 326, 439, 590, 794 |
| 최대 백래쉬 | ° | 1.0 | 1.2 | 1.3 | 1.4 |
| 최대 연속 출력 전력 | W | 6.5 | 3.2 | 1.6 | 0.6 |
| 최대 순간 출력 전력 | W | 8.0 | 4.0 | 2.0 | 0.75 |
| 최대 연속 입력 속도 | rpm | 12000 | 14000 | 14000 | 14000 |
| 최대 순간 입력 속도 | rpm | 15000 | 18000 | 18000 | 18000 |
| 최대 연속 토크 | N·m | 0.2 | 0.25 | 0.35 | 0.45 |
| 최대 순간 토크 | N·m | 0.25 | 0.35 | 0.45 | 0.55 |
| 최대 효율 | % | 90 | 80 | 75 | 65 |
| 무게 | g | 25 | 31 | 37 | 42 | 감속기 길이 L | mm | 18.7 | 25.5 | 30.2 | 42 |
In a mobile environment, you can move left and right to see the contents (tables).
| 단 | - | 1단 | 2단 | 3단 | 4단 |
|---|---|---|---|---|---|
| 감속비 | X : 1 | 3.9, 5.3 | 16, 21, 28 | 62, 83, 111, 150 | 243, 326, 439, 590, 794 |
| 최대 백래쉬 | ° | 0.85 | 1.05 | 1.2 | 1.35 |
| 최대 연속 출력 전력 | W | 24 | 12 | 6.0 | 1.6 |
| 최대 순간 출력 전력 | W | 30 | 15 | 7.5 | 2.0 |
| 최대 연속 입력 속도 | rpm | 8000 | 10000 | 10000 | 10000 |
| 최대 순간 입력 속도 | rpm | 10000 | 12500 | 12500 | 12500 |
| 최대 연속 토크 | N.m | 0.5 | 0.7 | 1.2 | 1.5 |
| 최대 순간 토크 | N.m | 0.6 | 0.9 | 1.5 | 1.9 |
| 최대 효율 | % | 90 | 81 | 74 | 66 |
| 무게 | g | 59 | 83 | 97 | 112 |
| 감속기 길이 L | mm | 22.3 | 33 | 39.6 | 46.3 |
In a mobile environment, you can move left and right to see the contents (tables).
| 단 | - | 1단 | 2단 | 3단 | 4단 |
|---|---|---|---|---|---|
| 감속비 | X : 1 | 3.9, 5.3 | 16, 21, 28 | 62, 83, 111, 150 | 243, 326, 439, 590, 794 |
| 최대 백래쉬 | ° | 0.5 | 0.6 | 0.7 | 0.75 |
| 최대 연속 출력 전력 | W | 100 | 50 | 25 | 8.0 |
| 최대 순간 출력 전력 | W | 125 | 62 | 31 | 10 |
| 최대 연속 입력 속도 | rpm | 6000 | 7000 | 7000 | 7000 |
| 최대 순간 입력 속도 | rpm | 7500 | 8750 | 8750 | 8750 |
| 최대 연속 토크 | N.m | 1.25 | 2.90 | 5.0 | 5.0 |
| 최대 순간 토크 | N.m | 1.6 | 3.6 | 6.3 | 6.3 |
| 최대 효율 | % | 90 | 81 | 72 | 65 |
| 무게 | g | 103 | 150 | 174 | 198 |
| 감속기 길이 L | mm | 24.2 | 36.9 | 43.5 | 50.2 |
In a mobile environment, you can move left and right to see the contents (tables).
| 단 | - | 1단 | 2단 | 3단 | 4단 |
|---|---|---|---|---|---|
| 감속비 | X : 1 | 3.9, 5.3 | 16, 21, 28 | 62, 83, 111, 150 | 243, 326, 439, 590, 794 |
| 최대 백래쉬 | ° | 0.5 | 0.6 | 0.7 | 0.8 |
| 최대 연속 출력 전력 | W | 185 | 90 | 45 | 15 |
| 최대 순간 출력 전력 | W | 230 | 115 | 60 | 19 |
| 최대 연속 입력 속도 | rpm | 6000 | 6000 | 6000 | 6000 |
| 최대 순간 입력 속도 | rpm | 7500 | 7500 | 7500 | 7500 |
| 최대 연속 토크 | N.m | 2.3 | 5.4 | 9.3 | 9.3 |
| 최대 순간 토크 | N.m | 2.9 | 6.8 | 11.6 | 11.6 | 최대 효율 | % | 90 | 80 | 72 | 65 |
| 무게 | g | 156 | 238 | 277 | 315 |
| 감속기 길이 L | mm | 30 | 44.7 | 51.3 | 58 |
In a mobile environment, you can move left and right to see the contents (tables).
| 단 | - | 1단 | 2단 | 3단 | 4단 |
|---|---|---|---|---|---|
| 감속비 | X : 1 | 3.9, 5.3 | 16, 21, 28 | 62, 83, 111, 150 | 243, 326, 439, 590, 794 |
| 최대 백래쉬 | ° | 0.3 | 0.4 | 0.5 | 0.6 |
| 최대 연속 출력 전력 | W | 480 | 200 | 85 | 20 |
| 최대 순간 출력 전력 | W | 600 | 250 | 106 | 25 |
| 최대 연속 입력 속도 | rpm | 6000 | 6000 | 6000 | 6000 |
| 최대 순간 입력 속도 | rpm | 7500 | 7500 | 7500 | 7500 |
| 최대 연속 토크 | N.m | 3.0 | 7.5 | 15 | 15 |
| 최대 순간 토크 | N.m | 4.5 | 11.3 | 22.5 | 22.5 |
| 최대 효율 | % | 90 | 81 | 72 | 64 |
| 무게 | g | 252 | 405 | 476 | 544 |
| 감속기 길이 L | mm | 36.1 | 54.9 | 63.6 | 72.4 |