50mm Frameless 모터는 모듈식으로 설계된 고정자와 회전자는 최적화된 슬롯 비율과 함께 모터의 토크 밀도를 향상시킵니다.
회전자는 내부 구경 공간이 크며, 고정자는 고객이 직접 설치할 수 있도록 설계되어, 설치 구조와 냉각 시스템을 포함한 개인 맞춤형 설계를 용이하게 하며, 맞춤형 시스템에 더 큰 유연성을 제공합니다.
최적화된 Slot-Pole 조합은 모터의 Cogging 토크를 줄여 모터의 원활한 작동을 보장합니다. 구조가 컴팩트하여 소형 설비나 공간 제약이 있는 애플리케이션에 최적화된 성능을 제공합니다.
In a mobile environment, you can move left and right to see the contents (tables).
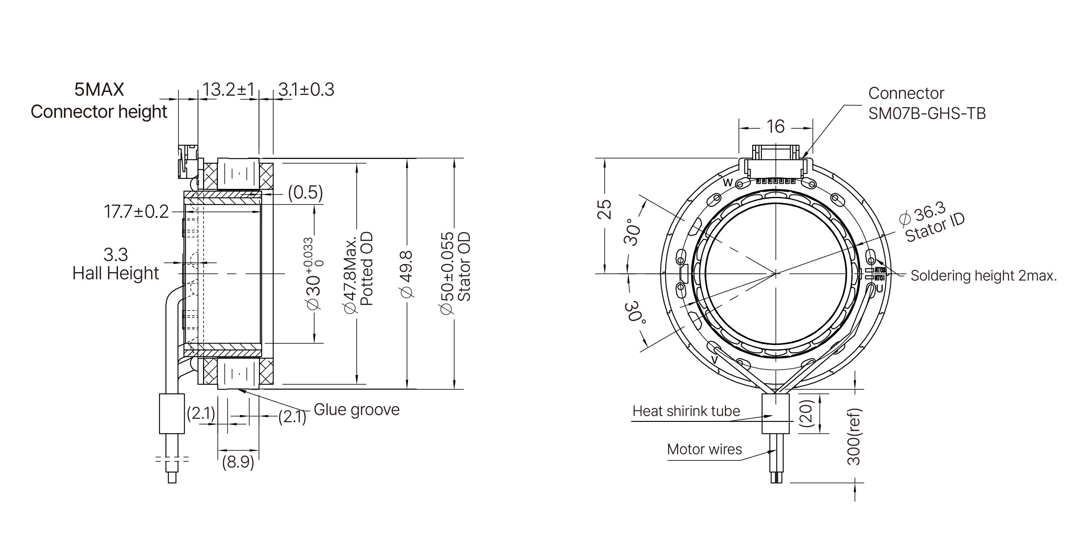
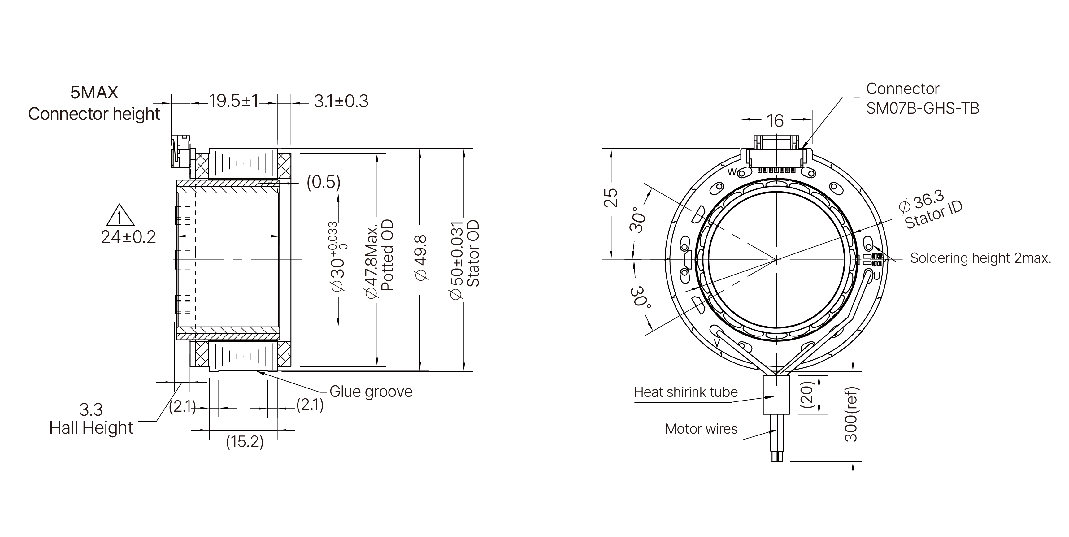
| 모터 형명 | - | 50ZWC15X-1 | 50ZWC25X-1 | |
|---|---|---|---|---|
| 스테이터 외경 | mm | 50±0.031 | 50±0.031 | |
| 로터 내경 | mm | 30+0.033 | 30+0.033 | |
| 전체 길이 (L) | mm | 13.2 | 19.5 | |
| 적층 두께 (L1) | mm | 8.9 | 15.2 | |
| 로터 길이 (L2) | mm | 17.7±0.2 | 24±0.2 | |
| 슬롯 수 | - | 18 | 18 | |
| 폴페어 | - | 10 | 10 | |
| 선간 저항 | Ω | 0.62 | 0.6 | |
| 선간 인덕턴스 | mH | 0.44 | 0.45 | |
| 권선 연결 | - | Star connection | Star connection | |
| 절연 등급 | - | F | F | |
| Duty 종류 | - | S2 | S2 | |
| 피드백 방법 | - | 홀센서 | 홀센서 | |
| 정류 각도 | - | 120° | 120° | |
| 절연 강도 (내전압) | - | 500VAC/1mA/1s | 500VAC/1mA/1s | |
| 절연 저항 | - | 100 MΩ/500VDC | 100 MΩ/500VDC | |
| 스테이터 중량 | g | 77.5 | 124 | |
| 로터 중량 | g | 38 | 50 | |
| 무부하 속도 | RPM | 6400 | 5000 | |
| 무부하 전류 | A | 0.4(REF) | 1.1(REF) | |
| 정격 전압 | VCD | 48 | 48 | |
| 정격 출력 | W | 168 | 219 | |
| 정격 토크 | N·m | 0.3 | 0.51 | |
| 정격 속도 | RPM | 5350 | 4100 | |
| 정격 전류 | A | 4.4 | 5.65 | |
| 토크 상수 | Nm/A | 0.074 | 0.092 | |
| Back-EMF 상수 / 유효값 | Vrms/Krpm | 5.5 | 6.8 | |
| 최대 (peak) 토크 | N·m | 0.96 | 1.5 | |
| 최대 (peak) 전류 | A | 10.7 | 16.1 | |
| 로터 관성 | g·cm² | 100 | 135 | |
In a mobile environment, you can move left and right to see the contents (tables).
| Lead-out 유형 | Lead-out 색상 | 기능 | |
|---|---|---|---|
| UL1332 AWG20 | 노랑 | U phase | |
| 빨강 | V phase | ||
| 검정 | W phase | ||
