85mm Frameless 모터는 모듈식으로 설계된 고정자와 회전자는 최적화된 슬롯 비율과 함께 모터의 토크 밀도를 향상시킵니다.
회전자는 내부 구경 공간이 크며, 고정자는 고객이 직접 설치할 수 있도록 설계되어, 설치 구조와 냉각 시스템을 포함한 개인 맞춤형 설계를 용이하게 하며, 맞춤형 시스템에 더 큰 유연성을 제공합니다.
최적화된 Slot-Pole 조합은 모터의 Cogging 토크를 줄여 모터의 원활한 작동을 보장합니다. 구조가 컴팩트하여 소형 설비나 공간 제약이 있는 애플리케이션에 최적화된 성능을 제공합니다.
In a mobile environment, you can move left and right to see the contents (tables).
| 모터 형명 | - | 85ZWC25X-1 | 85ZWC35X-1 | |
|---|---|---|---|---|
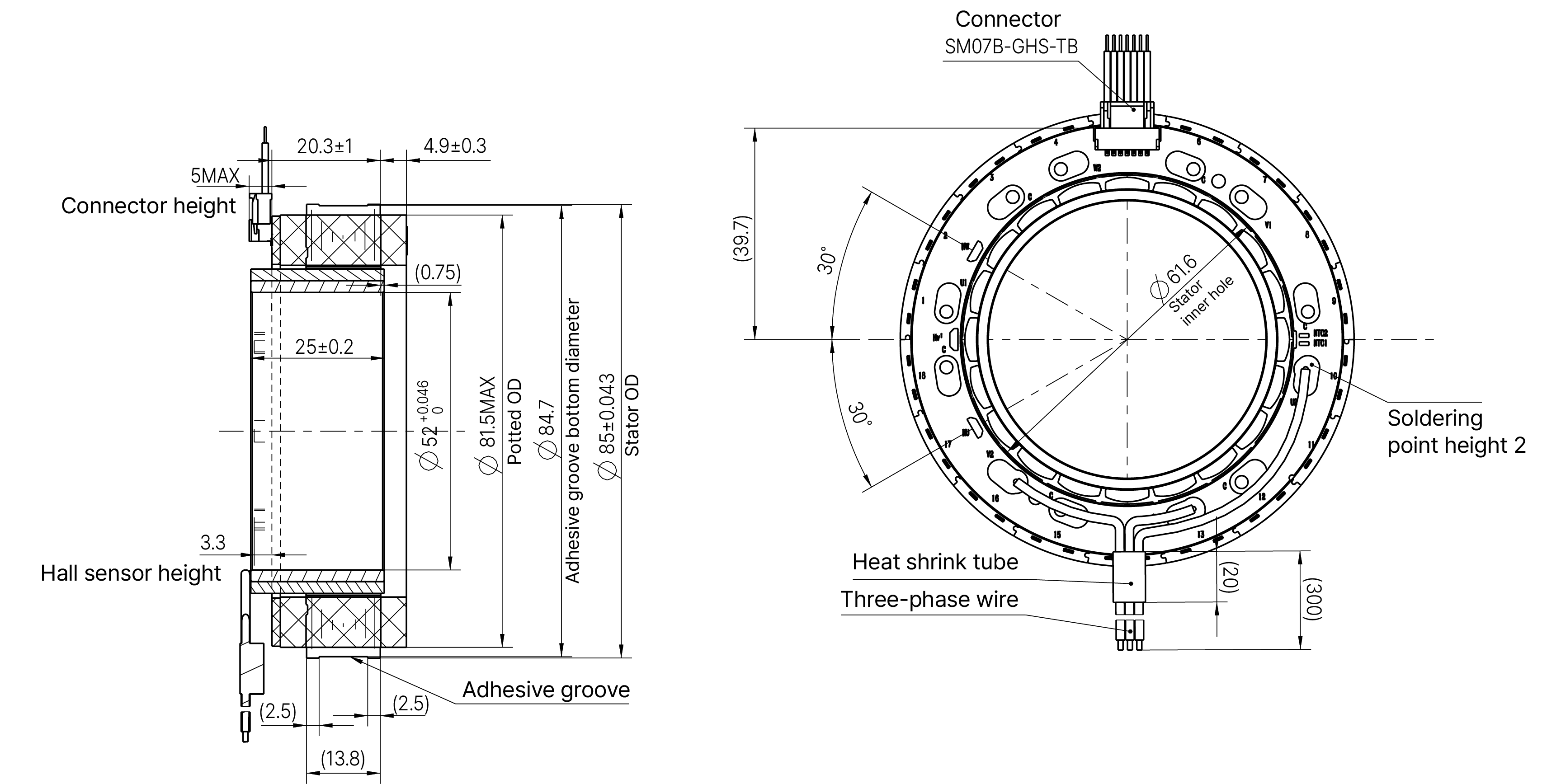
| 스테이터 외경 | mm | 85±0.043 | 85±0.043 | |
| 로터 내경 | mm | 52+0.046 | 52+0.046 | |
| 전체 길이 (L) | mm | 20.3 | 30.1 | |
| 적층 두께 (L1) | mm | 13.8 | 23.6 | |
| 로터 길이 (L2) | mm | 25±0.2 | 35±0.2 | |
| 슬롯 수 | - | 18 | 18 | |
| 폴페어 | - | 10 | 10 | |
| 선간 저항 | Ω | 0.14 | 0.06 | |
| 선간 인덕턴스 | mH | 0.34 | 0.12 | |
| 권선 연결 | - | Star connection | Star connection | |
| 절연 등급 | - | F | F | |
| Duty 종류 | - | S2 | S2 | |
| 피드백 방법 | - | 홀센서 | 홀센서 | |
| 정류 각도 | - | 120° | 120° | |
| 절연 강도 (내전압) | - | 500VAC/1mA/1s | 500VAC/1mA/1s | |
| 절연 저항 | - | 100MΩ/500VDC | 100MΩ/500VDC | |
| 스테이터 중량 | g | 315 | 460 | |
| 로터 중량 | g | 135 | 189 | |
| 무부하 속도 | RPM | 3650 | 4700 | |
| 무부하 전류 | A | 0.6(REF) | 2.4(REF) | |
| 정격 전압 | VDC | 48 | 48 | |
| 정격 출력 | W | 422 | 827 | |
| 정격 토크 | N·m | 1.3 | 2 | |
| 정격 속도 | RPM | 3100 | 3950 | |
| 정격 전류 | A | 10.3 | 20.6 | |
| 토크 상수 | Nm/A | 0.16 | 0.117 | |
| Back-EMF 상수 / 유효값 | Vrms/Krpm | 9.7 | 8.66 | |
| 최대 (peak) 토크 | N·m | 3.9 | 6 | |
| 최대 (peak) 전류 | A | 27 | 62 | |
| 로터 관성 | g·cm² | 1086 | 1520 | |
In a mobile environment, you can move left and right to see the contents (tables).
| Lead-out 유형 | Lead-out 색상 | 기능 | |
|---|---|---|---|
| UL1332 AWG16 | 노랑 | U phase | |
| 빨강 | V phase | ||
| 검정 | W phase | ||
